Гарантийный срок
эксплуатации от 1 года
Гарантия лучшей
цены на рынке
Срок изготовления
от 10 рабочих дней
Полный пакет
документов

Нужна 3D модель? Напиши нам и мы вышлем

Технические характеристики

Преимущества в деталях

Условный диаметр
от DN100 до DN1200
Условное давление
от PN6 до PN25
Температура рабочей среды
-50°С ... +300°С
Тип присоединения
под приварку, фланцевый
Гарантийный срок эксплуатации
от 12 до 24 месяцев

Рабочая среда

Вода
Пар
Нефтепродукты
Газ
Химическая среда
Криогенная среда
Трансформаторное масло

Материалы основных деталей

Фланцы
прокрутка
Материал
Температура рабочей среды
Применение
08Х18Н10Т
-50С ... +300С
08Х18Н10
-50С ... +300С
ст.20
-50С ... +300С
ст.3сп
-50С ... +300С
09Г2С
-50С ... +300С
17Г1С
-50С ... +300С
Гофра
прокрутка
Материал
Температура рабочей среды
Применение
AISI304 / 08Х18Н10
-50С ... +300С
химические агрессивные среды, нефтепродукты, вода
AISI321 / 08Х18Н10Т
-50С ... +300С
химические агрессивные среды, нефтепродукты, вода
AISI310L / 08Х17Н13М2
-50С ... +300С
химические агрессивные среды, нефтепродукты, вода
Патрубки
прокрутка
Материал
Температура рабочей среды
Применение
08Х18Н10Т
-50С ... +300С
08Х18Н10
-50С ... +300С
ст.20
-50С ... +300С
ст.3сп
-50С ... +300С
09Г2С
-50С ... +300С
17Г1С
-50С ... +300С

Чертежи и габаритные размеры

Чертежи углового сильфонного компенсатора AK EBС шарнирного типа (под приварку)
Таблица основных размеров
Условное давление PN6
прокрутка
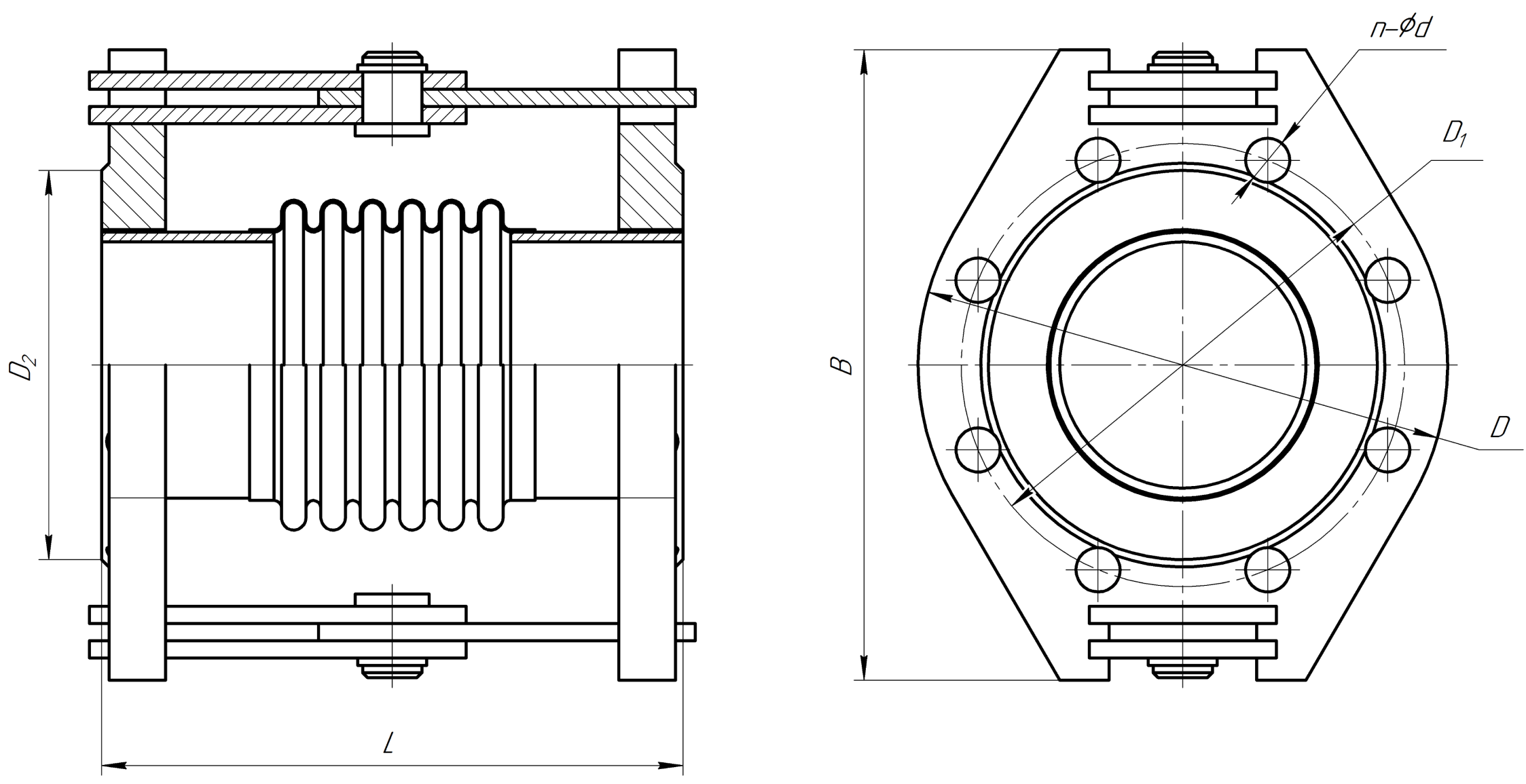
Чертежи углового сильфонного компенсатора AK EBС шарнирного типа (фланцевый)
Таблица основных размеров
Условное давление PN6
прокрутка
купить шланговую задвижку ak pvm 06
Разнесенный вид угловой сильфонный компенсатор AK EBC (шарнирного типа)
Наименование
1
Фланец
2
Сильфон
3
Стопорное кольцо
4
Фиксирующая пластина
5
Ось
Свяжитесь с нами
Получите профессиональную консультацию инженеров по вашему проекту
<
Поле обязательное для заполнения
Поле обязательное для заполнения
Неверный формат номера телефона
Поле обязательное для заполнения
Необходимо согласиться с условиями
Спасибо,
ваша заявка принята
Ожидайте звонок нашего специалиста
в ближайшее время
Среднее время ожидания звонка
в рабочее время — 15 минут
Ой! Что-то пошло не так при отправке формы.