Конструкция шиберной задвижки модели AK KGV 06
обеспечивает герметичность при подаче среды в обе стороны.
Уплотнения представляют собой
резиновые кольца из износостойкого каучка со стальным кольцом, что обеспечивает надежную фиксацию
уплотнений в корпусе задвижки. Фиксирующие кольца прижимают уплотнения друг к другу, что обеспечивает
беспрепятсвенный проход рабочей среды. В открытом положении уплотнения герметично прижимаются друг к другу
что позволяет избежать попадания абразивных частиц в нижнюю часть корпуса.
Конструктивные особенности модели
Двухстороннее уплотнение (возможность замены уплотнений без разбора
корпуса задвижки)
Монолитный корпус
Плотное прилегание уплотнений друг к другу обеспечивают
полнопроходность задвижки без застойных зон
Нижняя съемная крышка с возможностью подключения системы промывки корпуса
Самоочистка ножа от налипаний
Высокая стойкость задвижки к абразивным средам в виду отсутствия контакта
рабочей среды с корпусом задвижки
Технические характеристики
Преимущества в деталях
Условный диаметр
от DN50 до DN800
Условное давление
PN10, PN16
Температура рабочей среды
-20°С ... +200°С
Направление потока среды
двухстороннее
Установочное положение
Любое, кроме приводным устройством вниз
Класс герметичности
«А» (ГОСТ 9544-2015) применимо к мягким уплотнениям
Климатическое исполнение
«У», «ХЛ», «УХЛ», «Т», «ТМ» (ГОСТ 15150)
Типы управления
—
ручной (штурвал)
—
ручной редуктор
—
пневматический привод
—
электрический привод
Гарантийный срок эксплуатации
12 месяцев
Средний ресурс работы
2500 циклов
Гарантийная наработка
Не менее 1000 циклов
Рабочая среда
—
Вода
—
Пар
—
Щелочи
—
Кислоты
—
Абразивные примеси
—
Высокотемпературные газы
—
Конденсат
—
Нефтепродукты
Материалы основных деталей
Патрубок
прокрутка
Материал
Температура рабочей среды
Применение
NR
-20°С ... +90°С
вода, высокоабразивные среды
NBR
-20С ... +100С
нефтепродукты, дизельное топливо, минеральные масла, пропан, бутан,
абразивные среды
PU
-20С ... +100С
нефтепродукты, медицинские реагенты, высокоабразивные среды
EPDM
-20°С ... +130°С
вода, пар, щелочи, кислоты, абразивные среды
FKM (Viton)
-20°С ... +200°С
химические агрессивные среды, минеральные масла и жиры, бензин, горячая вода,
абразивные среды
Корпус
прокрутка
Материал
Температура рабочей среды
Применение
GGG40 / ВЧ40
-20С ... +130С
Шибер
прокрутка
Материал
Температура рабочей среды
Применение
AISI316L / ст.08Х18Н10
-20°С ... +200°С
высокотемпературные газы, конденсат, нефтепродукты, вода
AISI304 / ст.12Х18Н9
-20°С ... +200°С
высокотемпературные газы, конденсат, нефтепродукты, вода, абразивные среды
По желанию заказчика, взависимости от технического задания, мы можем рассмотреть
производство шиберной задвижки AK KGV 06 из других материалов.
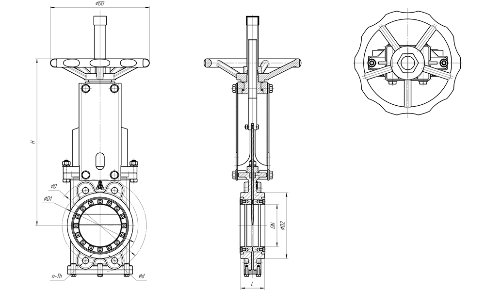
Чертежи и габаритные размеры
Чертежи шиберной задвижки AK KGV 06
Таблица основных размеров
Условное давление PN10
прокрутка
DN, мм
Размеры, мм
D
D1
D2
D0
H
L
d
n - Th
Крутящий момент*, Н*м
Монтажная площадка по ISO5211
Диаметр штока, тип и шаг резьбы
Масса (без привода), кг
50
165
125
99
180
260
53
18
4-M16
16
F10
Tr18*4
6,9
65
185
145
118
200
292
53
18
4-M16
16
F10
Tr18*4
8,6
80
200
160
132
200
320
56,6
18
8-M16
20
F10
Tr20*4
9,1
100
220
180
156
240
358
56,6
18
8-M16
20
F10
Tr20*4
11,5
125
250
210
184
260
395
63
18
8-M16
20
F10
Tr20*4
14,3
150
285
240
211
280
450
62
23
8-M20
24
F10
Tr24*5
17,2
200
340
295
266
300
532
75,5
23
8-M20
51
F10
Tr24*5
28
250
395
350
319
320
670
76,5
23
12-M20
68
F10
Tr26*5
43
300
445
400
370
350
758
84
23
12-M20
85
F10
Tr26*5
62
350
505
460
429
400
857
84
23
16-M20
117
F12
Tr30*6
78,5
400
565
515
480
450
946
99
27
16-M24
117
F12
Tr30*6
165
450
615
565
530
500
1023
99
27
20-M24
177
F12
Tr32*6
222
По запросу предоставляются табличные значения по DN500 .... DN800
* — крутящий момент с фактором безопасности
Рабочее давление в зависимости от диаметра
DN, мм
PN, МПа (Бар)
50 - 100
1,6 (16)
125 - 200
1,0 (10)
250 - 400
0,7 (7)
DN, мм
PN, МПа (Бар)
450 - 500
0,5 (5)
600 - 700
0,3 (3)
800
0,2 (2)
Параметры сквозных и несквозных отверстий для подбора крепежа
Условное давление PN10
прокрутка
DN, мм
Размеры, мм
D1
N
M
T
Несквозное отверстие
Сквозное отверстие
50
125
4
M16
13
2
2
65
145
4
M16
13
2
2
80
160
8
M16
13
2
6
100
180
8
M16
13
2
6
125
210
8
M16
16
2
6
150
240
8
M16
16
2
6
200
295
8
M20
20
2
6
250
350
12
M20
20
4
8
300
400
12
M20
20
4
8
350
460
16
M20
20
8
8
400
515
16
M24
24
10
6
450
565
20
M24
24
12
8
По запросу предоставляются табличные значения по DN500 .... DN800
Разнесенный вид поворотного дискового затвора AK KGV 06
№
Наименование
1
Защитный кожух штока
2
Штурвал
3
Монтажная площадка
4
Подшипник
5
Втулка
6
Бугель
7
Корпус
8
Уплотнение
9
Шпиндель
10
Нож
11
Крышка сальника
12
Сальниковая набивка
13
Нижнее уплотнение
14
Нижняя съемная крышка
Свяжитесь с нами
Получите профессиональную консультацию инженеров по вашему проекту
Спасибо, ваша заявка принята
Ожидайте звонок нашего специалиста в ближайшее время
Среднее время ожидания звонка в рабочее время — 15 минут
Ой! Что-то пошло не так при отправке формы.
Спасибо, ваша заявка принята
Ожидайте звонок нашего специалиста в ближайшее время
Среднее время ожидания звонка в рабочее время — 15 минут