Гарантийный срок
эксплуатации от 1 года
Гарантия лучшей
цены на рынке
Срок изготовления
от 10 рабочих дней
Полный пакет
документов

Нужна 3D модель? Напиши нам и мы вышлем

Корпус шиберной задвижки модели AK KGV 04 имеет разборную двухсоставную конструкцию с U-образным седлом.

При открытии уплотнение принимает форму  сечения корпуса, тем самым обеспечивается полнопроходность задвижки без застойных зон. Это позволяет избежать попадания мелких абразивных частиц в "паз" шиберной задвижки, тем самым обеспечивая высокую цикличность и долговечность работы шиберной задвижки.
Конструктивные особенности модели
Торцевое уплотнение, двухсторонняя герметичность
Разборный двухсоставной корпус
Большой выбор по материалам корпуса, уплотнения и сальниковой набивки
При открытии задвижки, уплотнение принимает форму сечения корпуса, тем самым обеспечивается полнопроходность задвижки без застойных зон

Технические характеристики

Преимущества в деталях

Условный диаметр
от DN50 до DN1000
Условное давление
PN10, PN16
Температура рабочей среды
-30°С ... +200°С
Направление потока среды
двухстороннее
Установочное положение
Любое, кроме приводным устройством вниз
Класс герметичности
«А» (ГОСТ 9544-2015)
Климатическое исполнение
«У», «ХЛ», «УХЛ», «Т», «ТМ» (ГОСТ 15150)
Типы управления
ручной (штурвал)
ручной редуктор
пневматический привод
электрический привод
Гарантийный срок эксплуатации
12 месяцев
Средний ресурс работы
2500 циклов
Гарантийная наработка
Не менее 1000 циклов

Рабочая среда

Вода
Пар
Щелочи
Кислоты
Абразивные примеси
Высокотемпературные газы
Конденсат
Нефтепродукты

Материалы основных деталей

Патрубок
прокрутка
Материал
Температура рабочей среды
Применение
EPDM
-20С ... +130С
вода, пар, щелочи, кислоты, абразивные среды
NBR
-30С ... +100С
нефтепродукты, дизельное топливо, минеральные масла, пропан, бутан, абразивные среды
FKM (Viton)
-20С ... +200С
химические агрессивные среды, минеральные масла и жиры, бензин, горячая вода, абразивные среды
Корпус
прокрутка
Материал
Температура рабочей среды
Применение
GGG40 / ВЧ40
-30С ... +200С
вода, неагрессивные среды
WCB / ст.25Л
-30С ... +200С
вода, пар, нефтепродукты
AISI304 / ст.12Х18Н9
-30С ... +200С
химические агрессивные среды, нефтепродукты, вода, абразивные среды
AISI316 / ст.08Х17Н13М2
-30С ... +200С
химические агрессивные среды, нефтепродукты, вода
AISI316L / ст.08Х18Н10
-30С ... +200С
химические агрессивные среды, нефтепродукты, вода
AISI316Ti / ст.10Х17Н13М2Т
-30С ... +200С
химические агрессивные среды, серная кислота, нефтепродукты
Шибер
прокрутка
Материал
Температура рабочей среды
Применение
AISI316L / ст.08Х18Н10
-30°С ... +200°С
химические агрессивные среды, минеральные масла и жиры, бензин, горячая вода
AISI304 / ст.12Х18Н9
-30°С ... +200°С
химические агрессивные среды, минеральные масла и жиры, бензин, горячая вода
AISI316Ti / ст.10Х17Н13М2Т
-30°С ... +200°С
химические агрессивные среды, серная кислота, нефтепродукты
По желанию заказчика, взависимости от технического задания, мы можем рассмотреть производство шиберной задвижки AK KGV 04 из других материалов.

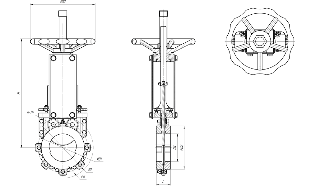
Чертежи и габаритные размеры

Чертежи шиберной задвижки AK KGV 04
Таблица основных размеров
Условное давление PN10
прокрутка
По запросу предоставляются табличные значения по DN500 .... DN1000
* — крутящий момент с фактором безопасности
Рабочее давление в зависимости от диаметра
Параметры сквозных и несквозных отверстий для подбора крепежа
Условное давление PN10
прокрутка
По запросу предоставляются табличные значения по DN500 .... DN1000
купить AK kgv 04 шиберную задвижку
Разнесенный вид поворотного дискового затвора AK KGV 04
Наименование
1
Защитный кожух
2
Штурвал
3
Монтажная площадка
4
Подшипник
5
Болт и гайка
6
Бугель
7
Крышка сальника
8
Нож
9
Корпус
10
Болт
11
Уплотнение
12
Уплотнение по корпусу
13
Скребок
14
Сальниковая набивка
15
Шпиндель
16
Втулка
Свяжитесь с нами
Получите профессиональную консультацию инженеров по вашему проекту
<
Поле обязательное для заполнения
Поле обязательное для заполнения
Неверный формат номера телефона
Поле обязательное для заполнения
Необходимо согласиться с условиями
Спасибо,
ваша заявка принята
Ожидайте звонок нашего специалиста
в ближайшее время
Среднее время ожидания звонка
в рабочее время — 15 минут
Ой! Что-то пошло не так при отправке формы.