Гарантийный срок
эксплуатации от 1 года
Гарантия лучшей
цены на рынке
Срок изготовления
от 10 рабочих дней
Полный пакет
документов

Нужна 3D модель? Напиши нам и мы вышлем

Кран сегментный модели AK BV 21S применяется для регулирования и перекрытия потока рабочей среды.

Регулирующий орган выполнен в форме V-образной полусферы, что позволяет обеспечивать равнопроцентную характеристику регулирования. Комбинации материалов сальниковой набивки и уплотнения гарантирует надежную работу крана при температурах до +350С. Кран имеет малый крутящий момент в виду малой площади трения регулирующего органа с корпусом.
Конструктивные особенности модели
V-образный сегмент с большим выбором абразивостойких напылений
Равнопроцентная характеристика регулирования
Ремонтопригодность (возможность замены уплотнения, сальниковой набивки, сегмента)
Малый крутящий момент
Возможность производства сегментного крана со шлицевым присоединением сегмента к штокам
Малая строительная длина

Технические характеристики

Преимущества в деталях

Условный диаметр
от DN25 до DN500
Условное давление
от PN10 до PN63
Температура рабочей среды
-29°С ... +350°С
Тип присоединения
фланцевое, межфланцевое
Класс герметичности
«А», «B» (ГОСТ 9544-2015)
Климатическое исполнение
«У», «ХЛ», «УХЛ», «Т», «ТМ» (ГОСТ 15150)
Установочное положение
Любое, кроме приводным устройством вниз
Типы управления
ручной (рукоядка)
ручной редуктор
пневматический привод
электрический привод
Гарантийный срок эксплуатации
12 месяцев
Средний ресурс работы
10 000 циклов
Гарантийная наработка
Не менее 5000 циклов

Рабочая среда

Вода
Пар
Подогретая вода
Фосфорная и серная кислоты
Пульпа
Целлюлоза
Нефтепродукты
Химически агресивные среды

Материалы основных деталей

Уплотнение
прокрутка
Материал
Температура рабочей среды
Применение
PCTFE / PTFE
-29С ... +120С
вода, пар, подогретая вода, фосфорная и серная кислоты, пульпа, нефтепродукты, химически агрессивные среды
PEEK / PTFE
-29С ... +150С
вода, пар, подогретая вода, фосфорная и серная кислоты, пульпа, нефтепродукты, химически агрессивные среды
PEEK / графит
-29С ... +240С
вода, пар, подогретая вода, фосфорная и серная кислоты, пульпа, нефтепродукты, химически агрессивные среды
DEVLON / PTFE
-29С ... +120С
вода, пар, подогретая вода, фосфорная и серная кислоты, пульпа, нефтепродукты, химически агрессивные среды
AISI304/ ст.12Х18Н9
AISI316 / ст.08Х17Н13М2
AISI904L / ст.06ХН28МДТ
AISI316Ti / ст.10Х17Н13М2Т
+ (СТЕЛЛИТ / КАРБИД ВОЛЬФРАМА / ТВЕРДОХРОМОВОЕ ПОКРЫТИЕ) / графит
-29С ... +220С
вода, пар, подогретая вода, фосфорная и серная кислоты, пульпа, целлюлоза, нефтепродукты, химически агрессивные среды
AISI304/ ст.12Х18Н9
AISI316 / ст.08Х17Н13М2
AISI904L / ст.06ХН28МДТ
AISI316Ti / ст.10Х17Н13М2Т
+ (СТЕЛЛИТ / КАРБИД ВОЛЬФРАМА /
ТВЕРДОХРОМОВОЕ ПОКРЫТИЕ) / PTFE
-29С ... +150С
вода, пар, подогретая вода, фосфорная и серная кислоты, пульпа, целлюлоза, нефтепродукты, химически агрессивные среды
Корпус
прокрутка
Материал
Температура рабочей среды
Применение
A216 WCB / ст.25Л
-29С ... +240С
вода, пар, подогретая вода, нефтепродукты
AISI304 / ст.12Х18Н9
-29С ... +240С
вода, пар, подогретая вода, пульпа, нефтепродукты, химически агрессивные среды
AISI316 / ст.08Х17Н13М2
-29С ... +240С
вода, пар, подогретая вода, слабые растворы кислот и щелочей, нефтепродукты, газ, химически агрессивные среды
AISI904L / ст.06ХН28МДТ
-29С ... +240С
вода, пар, подогретая вода, фосфорная и серная кислоты, пульпа, нефтепродукты, химически агрессивные среды
AISI316Ti / ст.10Х17Н13М2Т
-29С ... +240С
вода, пар, подогретая вода, фосфорная и серная кислоты, пульпа, нефтепродукты, химически агрессивные среды
Сегмент
прокрутка
Материал
Температура рабочей среды
Применение
AISI304 / ст.12Х18Н9
-29С ... +240С
вода, пар, подогретая вода, пульпа, нефтепродукты, химически агрессивные среды
AISI316 / ст.08Х17Н13М2
-29С ... +240С
вода, пар, подогретая вода, пульпа, нефтепродукты, химически агрессивные среды
AISI904L / ст.06ХН28МДТ
-29С ... +240С
вода, пар, подогретая вода, фосфорная и серная кислоты, пульпа, нефтепродукты, химически агрессивные среды
AISI316Ti / ст.10Х17Н13М2Т
-29С ... +240С
вода, пар, подогретая вода, фосфорная и серная кислоты, пульпа, нефтепродукты, химически агрессивные среды
По желанию заказчика, взависимости от технического задания, мы можем рассмотреть производство крана шарового AK BV 21s из других материалов.

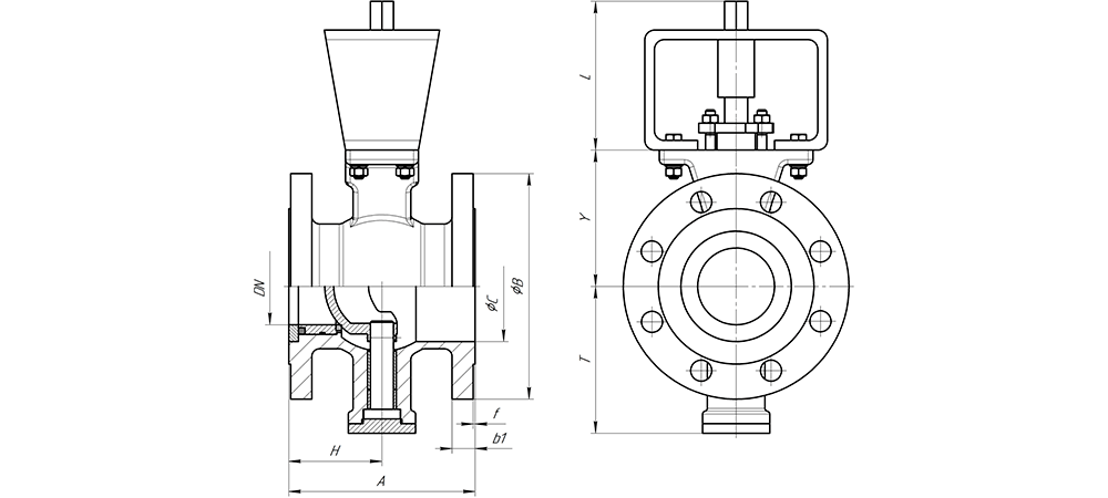
Чертежи и габаритные размеры

Чертежи крана шарового AK BV 21S
Таблица основных размеров
Условное давление PN16
прокрутка
* — крутящий момент с фактором безопасности
Свяжитесь с нами
Получите профессиональную консультацию инженеров по вашему проекту
<
Поле обязательное для заполнения
Поле обязательное для заполнения
Неверный формат номера телефона
Поле обязательное для заполнения
Необходимо согласиться с условиями
Спасибо,
ваша заявка принята
Ожидайте звонок нашего специалиста
в ближайшее время
Среднее время ожидания звонка
в рабочее время — 15 минут
Ой! Что-то пошло не так при отправке формы.