Кран шаровый модели AK BV 08 предназначен для
перекрытия потока рабочей среды.
Характерной особенностью данной модели является разборный двухсоставной корпус и полнопроходная
конструкция. Разборный корпус позволяет без труда произвести замену уплотнения и шара.
Конструктивные особенности модели
Разборный корпус
Полнопроходная конструкция
Технические характеристики
Преимущества в деталях
Условный диаметр
от DN25 до DN250
Условное давление
от PN16 до PN63
Температура рабочей среды
-60°С ... +200°С
Тип присоединения
фланцевое
Класс герметичности
«А» (ГОСТ 9544-2015)
Климатическое исполнение
«У», «ХЛ», «УХЛ», «Т»,
«ТМ» (ГОСТ 15150)
Установочное положение
Любое, кроме приводным устройством вниз
Типы управления
—
ручной (рукоядка)
—
ручной редуктор
—
пневматический привод
—
электрический привод
Гарантийный срок эксплуатации
12 месяцев
Средний ресурс работы
10 000 циклов
Гарантийная наработка
Не менее 5000 циклов
Рабочая среда
—
Вода
—
Пар
—
Подогретая вода
—
Слабые растворы кислот и щелочей
—
Нефтепродукты
—
Газ
—
Химически агрессивные среды
—
Высокотемпературные среды
Материалы основных деталей
Уплотнение
прокрутка
Материал
Температура рабочей среды
Применение
PTFE
-35С ... +200С
вода, пар, подогретая вода, слабые растворы кислот и щелочей,
нефтепродукты, газ, химически агрессивные среды
RPRFE
-35С ... +200С
вода, пар, подогретая вода, слабые растворы кислот и щелочей, нефтепродукты,
газ, химически агрессивные среды
PEEK
-29С ... +240С
вода, пар, подогретая вода, слабые растворы кислот и щелочей,
нефтепродукты, газ, химически агрессивные среды
Корпус
прокрутка
Материал
Температура рабочей среды
Применение
A216 WCB / ст.25Л
-35С ... +200С
вода, пар, подогретая вода, слабые растворы кислот и щелочей, нефтепродукты,
газ, химически агрессивные среды
AISI304 / ст.12Х18Н9
-60С ... +200С
вода, пар, подогретая вода, слабые растворы кислот и щелочей, нефтепродукты,
газ, химически агрессивные среды
AISI316 / ст.08Х17Н13М2
-60С ... +200С
вода, пар, подогретая вода, слабые растворы кислот и щелочей, нефтепродукты,
газ, химически агрессивные среды
Шар
прокрутка
Материал
Температура рабочей среды
Применение
AISI304 / ст.12Х18Н9
-60С ... +240С
вода, пар, подогретая вода, слабые растворы кислот и щелочей, нефтепродукты,
газ, химически агрессивные среды
AISI316 / ст.08Х17Н13М2
-60С ... +240С
вода, пар, подогретая вода, слабые растворы кислот и щелочей, нефтепродукты,
газ, химически агрессивные среды
По желанию заказчика, взависимости от технического задания, мы можем рассмотреть
производство крана шарового AK BV 08 из других материалов.
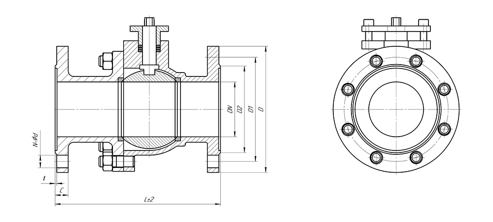
Чертежи и габаритные размеры
Чертежи крана шарового AK BV 08
Таблица основных размеров
Условное давление PN16
прокрутка
DN,
мм
L,
мм
D,
мм
D1,
мм
D2,
мм
t,
мм
C,
мм
Z - ⌀d
15
130
95
65
45
2
14
4 - ⌀14
20
130
105
75
55
2
14
4 - ⌀14
25
140
115
85
65
2
14
4 - ⌀14
32
165
140
100
78
2
16
4 - ⌀18
40
165
150
110
85
3
16
4 - ⌀18
50
203
165
125
100
3
16
4 - ⌀18
65
222
185
145
120
3
18
4 - ⌀18
80
241
200
160
135
3
20
8 - ⌀18
100
280
220
180
155
3
20
8 - ⌀18
125
320
250
210
185
3
22
8 - ⌀18
150
360
285
240
210
3
24
8 - ⌀23
200
457
340
295
265
3
26
12 - ⌀23
250
533
405
355
320
3
30
12 - ⌀25
* — крутящий момент с фактором безопасности
Свяжитесь с нами
Получите профессиональную консультацию инженеров по вашему проекту
Спасибо, ваша заявка принята
Ожидайте звонок нашего специалиста в ближайшее время
Среднее время ожидания звонка в рабочее время — 15 минут
Ой! Что-то пошло не так при отправке формы.
Спасибо,
ваша заявка принята
Ожидайте звонок нашего специалиста
в ближайшее время
Среднее время ожидания звонка
в рабочее время — 15 минут