Кран шаровый модели AK BV 06 предназначен для
перекрытия потока рабочей среды.
Характерной особенностью данной модели является межфланцевая
конструкция с резьбовыми отверстиями во фланце, что обеспечивает простоту в офланцовке кранов. Кран имеет
разборную конструкцию. Замена уплотнения производится посредством откручивания фиксирующей крышки.
Укороченная строительная длина крана позволяет производить его монтаж в стеснённых условиях.
Конструктивные особенности модели
Полнопроходная конструкция
Укороченная строительная длина
Разборная конструкция
Наличие резьбовых отверстий во фланцах кранов
Технические характеристики
Преимущества в деталях
Условный диаметр
от DN15 до DN200
Условное давление
PN16
Температура рабочей среды
-60°С ... +200°С
Тип присоединения
межфланцевое
Класс герметичности
«А» (ГОСТ 9544-2015)
Климатическое исполнение
«У», «ХЛ», «УХЛ», «Т», «ТМ» (ГОСТ 15150)
Установочное положение
Любое, кроме приводным устройством вниз
Типы управления
—
ручной (рукоядка)
—
ручной редуктор
—
пневматический привод
—
электрический привод
Гарантийный срок эксплуатации
12 месяцев
Средний ресурс работы
10 000 циклов
Гарантийная наработка
Не менее 5000 циклов
Рабочая среда
—
Вода
—
Пар
—
Подогретая вода
—
Слабые растворы кислот и щелочей
—
Нефтепродукты
—
Газ
—
Химически агрессивные среды
—
Высокотемпературные среды
Материалы основных деталей
Уплотнение
прокрутка
Материал
Температура рабочей среды
Применение
PTFE
-35С ... +200С
вода, пар, подогретая вода, слабые растворы кислот и щелочей,
нефтепродукты, газ, химически агрессивные среды
RPRFE
-35С ... +200С
вода, пар, подогретая вода, слабые растворы кислот и щелочей, нефтепродукты,
газ, химически агрессивные среды
PTFE
-29С ... +240С
вода, пар, подогретая вода, слабые растворы кислот и щелочей,
нефтепродукты, газ, химически агрессивные среды
Корпус
прокрутка
Материал
Температура рабочей среды
Применение
A216 WCB / ст.25Л
-35С ... +200С
вода, пар, подогретая вода, слабые растворы кислот и щелочей, нефтепродукты,
газ, химически агрессивные среды
AISI316 / ст.08Х17Н13М2
-60С ... +200С
вода, пар, подогретая вода, слабые растворы кислот и щелочей, нефтепродукты,
газ, химически агрессивные среды
AISI316 / ст.08Х17Н13М2
-60С ... +200С
вода, пар, подогретая вода, слабые растворы кислот и щелочей, нефтепродукты,
газ, химически агрессивные среды
Шар
прокрутка
Материал
Температура рабочей среды
Применение
AISI304 / ст.12Х18Н9
-60С ... +240С
вода, пар, подогретая вода, слабые растворы кислот и щелочей, нефтепродукты,
газ, химически агрессивные среды
AISI316 / ст.08Х17Н13М2
-60С ... +240С
вода, пар, подогретая вода, слабые растворы кислот и щелочей, нефтепродукты,
газ, химически агрессивные среды
По желанию заказчика, взависимости от технического задания, мы можем рассмотреть
производство крана шарового AK BV 06 из других материалов.
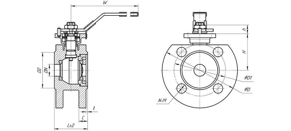
Чертежи и габаритные размеры
Чертежи крана шарового AK BV 06
Таблица основных размеров
Условное давление PN16
прокрутка
DN, мм
L, мм
D, мм
D1, мм
D2, мм
t, мм
C, мм
N - M
H, мм
W, мм
h, мм
15
50
95
65
45
2
14
4 - M12
76
110
9
20
65
105
75
58
2
16
4 - M12
71
110
9
25
80
115
85
68
2
16
4 - M12
90
160
11
32
100
140
100
78
2
16
4 - M16
102
160
11
40
125
150
110
88
3
16
4 - M16
115
185
14
50
150
165
125
102
3
18
4 - M16
122
185
14
65
200
185
145
122
3
18
4 - M16
168
305
14
80
250
200
160
138
3
20
8 - M16
178
305
17
100
300
220
180
158
3
20
8 - M16
198
305
17
* — крутящий момент с фактором безопасности
Свяжитесь с нами
Получите профессиональную консультацию инженеров по вашему проекту
Спасибо, ваша заявка принята
Ожидайте звонок нашего специалиста в ближайшее время
Среднее время ожидания звонка в рабочее время — 15 минут
Ой! Что-то пошло не так при отправке формы.
Спасибо, ваша заявка принята
Ожидайте звонок нашего специалиста в ближайшее время
Среднее время ожидания звонка в рабочее время — 15 минут