Гарантийный срок
эксплуатации от 1 года
Гарантия лучшей
цены на рынке
Срок изготовления
от 10 рабочих дней
Полный пакет
документов

Нужна 3D модель? Напиши нам и мы вышлем

Затвор поворотный дисковый модели AK BTV 03 предназначен для регулирования и отсекания потока рабочих сред.

Характерной особенностью модели по сравнению с AK BTV 01 является больший диапазон диаметров а также укороченная строительная длина (AK BTV 03), что дает возможность установки данного затвора в условиях ограниченного пространства. Кроме того, конструкция затвора обладает меньшим весом.
Конструктивные особенности модели
Укороченная строительная длина
Сменное седловое уплотнение
Облегченная конструкция

Технические характеристики

Преимущества в деталях

Условный диаметр
от DN400 до DN2000
Условное давление
PN10, PN16
Температура рабочей среды
-15°С ... +110°С
Тип присоединения
фланцевое
Класс герметичности
«А» (ГОСТ 9544-2015)
Климатическое исполнение
«У3», «ХЛ3,5», «УХЛ3,4,5», «Т», «ТМ» (ГОСТ 15150)
Установочное положение
Любое, кроме приводным устройством вниз
Типы управления
ручной (рукоядка)
ручной редуктор
пневматический привод
электрический привод
Направление подачи рабочей среды
в обе стороны
Гарантийный срок эксплуатации
12 месяцев
Средний ресурс работы
3500 циклов
Гарантийная наработка
Не менее 1500 циклов

Рабочая среда

Вода
Морская вода
Cлабые растворы кислот и щелочей
Воздух
Перегретая вода
Среды с средним содержанием абразивных частиц

Материалы основных деталей

Уплотнение
прокрутка
Материал
Температура рабочей среды
Применение
EPDM
-15С ... +110С
вода, пар, слабые растворы щелочей и кислот
NBR
-15С ... +90С
нефтепродукты, дизельное топливо, минеральные масла, пропан, бутан
Корпус
прокрутка
Материал
Температура рабочей среды
Применение
GGG40 / ВЧ40
A216 WCB / ст.25Л
Диск
прокрутка
Материал
Температура рабочей среды
Применение
AISI304 / ст.12Х18Н9
-120С ... +160С
вода, слабые растворы кислот и щелочей, воздух, перегретая вода
AISI316 / ст.08Х17Н13М2
-120С ... +160С
вода, слабые растворы кислот и щелочей, воздух, перегретая вода
WCB + EPDM
+ обрезиненный диск
см. диапазон рабочих
температур для уплотнений
По желанию заказчика, взависимости от технического задания, мы можем рассмотреть производство поворотного дискового затвора AK BTV 03 из других материалов.

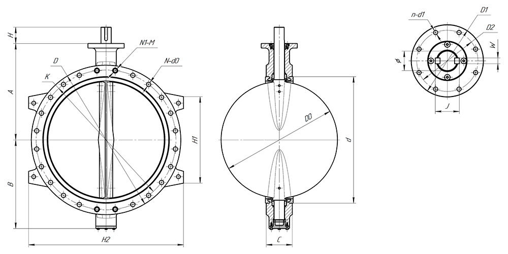
Чертежи и габаритные размеры

Чертежи поворотного дискового затвора AK BTV 03
Таблица основных размеров
Условное давление PN16
прокрутка
* — крутящий момент с фактором безопасности
купить AK BTV 01 поворотный дисковый затвор
Разнесенный вид поворотного дискового затвора AK BVT 03
Наименование
1
Корпус
2
Уплотнение
3
Диск
4
Шток
5
Втулка
6
Кольцо уплотнительное
7
Кольцо уплотнительное
8
Кольцо
9
Крышка верхняя
10
Крышка нижняя
11
Штифт
Свяжитесь с нами
Получите профессиональную консультацию инженеров по вашему проекту
<
Поле обязательное для заполнения
Поле обязательное для заполнения
Неверный формат номера телефона
Поле обязательное для заполнения
Необходимо согласиться с условиями
Спасибо,
ваша заявка принята
Ожидайте звонок нашего специалиста
в ближайшее время
Среднее время ожидания звонка
в рабочее время — 15 минут
Ой! Что-то пошло не так при отправке формы.