Гарантийный срок
эксплуатации от 1 года
Гарантия лучшей
цены на рынке
Срок изготовления
от 10 рабочих дней
Полный пакет
документов

Нужна 3D модель? Напиши нам и мы вышлем

Затвор поворотный дисковый модели AK BTV 01 предназначен для регулирования и отсекания потока рабочих сред.

Характерной особенностью данной модели является съемное мягкое уплотнение, обеспечивающее абсолютную герметичность в обоих направлениях. Большой выбор материалов уплотнений позволяет подобрать затвор практически под любую рабочую среду.
Конструктивные особенности модели
Сменное седловое уплотнение
Возможность производства с односоставным и двухсоставным штоком
Большой выбор материалов уплотнения
Безштифтовое присоединение диска к штокам (двухсоставной шток)
Простота монтажа и удобство в обслуживании

Технические характеристики

Преимущества в деталях

Условный диаметр
от DN50 до DN1200
Условное давление
PN10, PN16
Температура рабочей среды
-20°С ... +160°С
Тип присоединения
межфланцевое
Класс герметичности
«А» (ГОСТ 9544-2015)
Климатическое исполнение
«У», «ХЛ», «УХЛ», «Т», «ТМ» (ГОСТ 15150)
Установочное положение
Любое, кроме приводным устройством вниз
Типы управления
ручной (рукоядка)
ручной редуктор
пневматический привод
электрический привод
Направление подачи рабочей среды
в обе стороны
Гарантийный срок эксплуатации
12 месяцев
Средний ресурс работы
10 000 циклов
Гарантийная наработка
Не менее 5000 циклов

Рабочая среда

Вода
Морская вода
Загрязненная вода
Воздух
Пар
Маслопродукты
Молоко
Нефтепродукты
Щелочи
Соли
Агрессивные химические среды
Уксусная кислота
Этиловый спирт
Пищевые добавки

Материалы основных деталей

Уплотнение
прокрутка
Материал
Температура рабочей среды
Применение
EPDM
-15С ... +110С
вода, пар, слабые растворы щелочей и кислот
NBR
-15С ... +90С
нефтепродукты, дизельное топливо, минеральные масла, пропан, бутан
NR
-5С ... +70С
вода, cреднеабразивные среды
FKM (Viton)
-5С ... +150С
химически агрессивные среды, минеральные масла и жиры, бензин, горячая вода
Neoprene
-5С ... +100С
вода, пар, слабые растворы щелочей и кислот, масла
Silicon
-20C ... +160C
уксусная кислота, этиловый спирт, этиленгликоль, вода, молоко, пищевые добавки
CSM
-5C ... +100C
абразивные среды, химически агрессивные среды, вода с примесями
Корпус
прокрутка
Материал
Температура рабочей среды
Применение
A216 WCB / ст.25Л
AISI304 / ст.12Х18Н9
GGG40 / ВЧ40
GG25 / ВЧ25
AISI316 / ст.08Х17Н13М2
Диск
прокрутка
Материал
Температура рабочей среды
Применение
AISI304 / ст.12Х18Н9
-20С ... +160С
вода, морская вода, загрязненная вода, воздух, пар, маслопродукты, нефтепродукты, масла, кислоты, щелочи, соли, агрессивные химические среды
AISI316 / ст.08Х17Н13М2
-20С ... +160С
вода, морская вода, загрязненная вода, воздух, пар, маслопродукты, нефтепродукты, масла, кислоты, щелочи, соли, агрессивные химические среды
GGG40 / ВЧ40
-20С ... +160С
в ода, перегретая вода, слабые растворы кислот и щелочей
GGG40 / ВЧ40
+ обрезиненный диск
см. диапазон рабочих температур для уплотнений
По желанию заказчика, взависимости от технического задания, мы можем рассмотреть производство поворотного дискового затвора AK BTV 01 из других материалов.

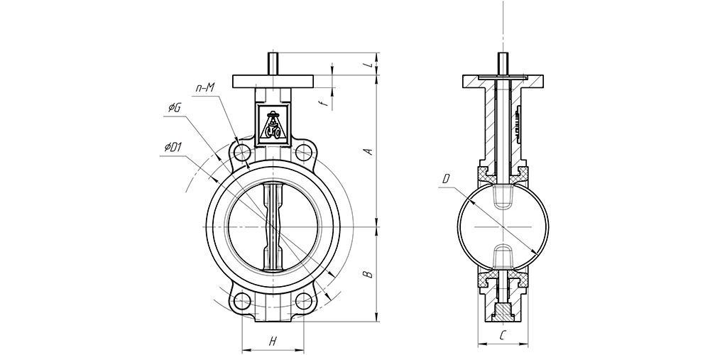
Чертежи и габаритные размеры

Чертежи поворотного дискового затвора AK BTV 01
Таблица основных размеров
Условное давление PN16
прокрутка
По запросу предоставляются табличные значения по DN500 .... DN1200
* — крутящий момент с фактором безопасности
купить AK BTV 01 поворотный дисковый затвор
Разнесенный вид поворотного дискового затвора AK BVT 01
Наименование
1
Корпус
2
Уплотнение
3
Диск
4
Нижний шток
5
Верхний шток
6
Нижняя втулка
7
Уплотнительное кольцо
8
Нижняя крышка
9
Ограничитель
10
Винт
11
Втулка верхняя
12
Сальниковая набивка
Свяжитесь с нами
Получите профессиональную консультацию инженеров по вашему проекту
Поле обязательное для заполнения
Поле обязательное для заполнения
Неверный формат номера телефона
Поле обязательное для заполнения
Необходимо согласиться с условиями
Спасибо,
ваша заявка принята
Ожидайте звонок нашего специалиста
в ближайшее время
Среднее время ожидания звонка
в рабочее время — 15 минут
Ой! Что-то пошло не так при отправке формы.